
INCH-POUND
MIL-DTL-16034/3B
13 March 2008
SUPERSEDING
MIL-M-16034/3A
6 November 1964
DETAIL SPECIFICATION SHEET
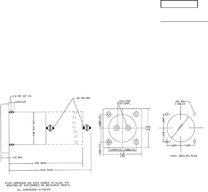
VOLTMETERS, AC, SWITCHBOARD, 4.5-INCH, 250-DEGREE SCALE
This specification is approved for use by all Departments and Agencies of the Department of Defense.
The requirements for acquiring the product described herein shall consist of this specification sheet and
MIL-DTL-16034.
AMSC N/A
FSC 6625
For Parts Inquires submit RFQ to Parts Hangar, Inc.
© Copyright 2015 Integrated Publishing, Inc.
A Service Disabled Veteran Owned Small Business