
MIL-PRF-10304/16C
26 April 1999
SUPERSEDING
MIL-M-10304/16A
27 April 1971
PERFORMANCE SPECIFICATION SHEET
METERS, ELECTRICAL INDICATING, PANEL TYPE, RUGGEDIZED:
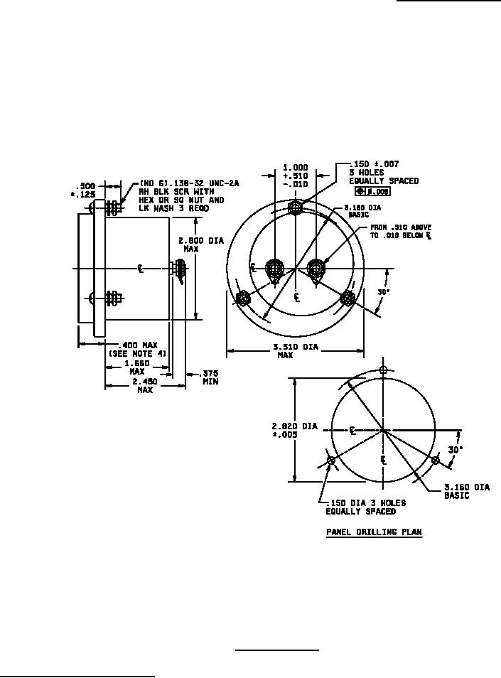
SPECIAL (FLUSH MOUNTING, ROUND FLANGE, 3½ INCH), STYLE 36
This specification is approved for use by all Departments
and Agencies of the Department of Defense.
The requirements for acquiring the meters described herein
shall consist of this specification and MIL-PRF-10304.
Inches
mm
Inches
mm
Inches
mm
.005
.13
.400
10.16
2.210
56.13
.010
.25
.500
12.70
2.220
56.39
.125
3.18
.510
12.95
2.250
57.15
.260
6.60
1.000
25.40
2.440
61.98
.375
9.53
1.600
40.64
2.695
68.45
NOTES:
1. Dimensions are in inches.
2. Metric equivalents are given for general information only.
3. Tolerance is ±1/2° on angles.
4. Maximum projection from front panel including gaskets (if used).
5. For self-contained meters of 30 amperes (amp) and above, this dimension is 2 (50.80 mm) max.
6. For self-contained meters of 30 amperes (amp) and above, this dimension is 2.625 (66.68 mm) max.
FIGURE 1. Meter, panel type.
AMSC N/A
Page 1 of 4
FSC 6625
DISTRIBUTION STATEMENT A. Approved for public release; distribution is unlimited.