
MIL-PRF-10304/24G
26 April 1999
SUPERSEDING
MIL-M-10304/24F
17 December 1975
PERFORMANCE SPECIFICATION SHEET
METERS, ELECTRICAL INDICATING, PANEL TYPE, RUGGEDIZED:
AMMETER, DC, (SQUARE FLANGE, 1½ INCH), STYLE 13
This specification is approved for use by all Departments
and Agencies of the Department of Defense.
The requirements for acquiring the meters described herein
shall consist of this specification and MIL-PRF-10304.
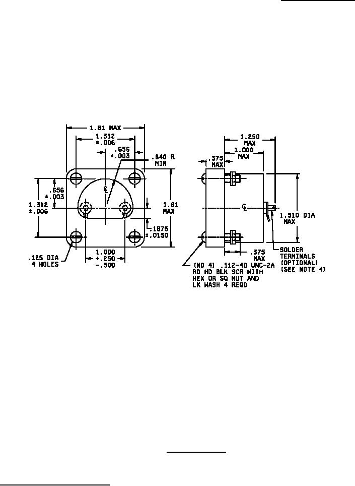
Inches
mm
Inches
mm
Inches
mm
.003
.08
.1875
4.76
6.56
16.66
.006
.15
.250
6.35
1.000
25.40
.0150
.38
.375
9.53
1.250
31.75
.112
2.84
.500
12.70
1.312
33.32
.125
3.18
.640
16.26
1.510
38.35
1.81
45.97
NOTES:
1. Dimensions are in inches.
2. Metric equivalents are given for general information only.
3. Unless otherwise specified, tolerance is ± .005 (.13 mm).
4. The center line of the terminals may be located .188 (4.78 mm) above or below the center line of the
meter.
5. Letters and numerals for scale numerals and captions shall be .085 (2.16 mm) max and all others
shall be .050 (1.27 mm) max.
FIGURE 1. Meter, panel type.
AMSC N/A
Page 1 of 3
FSC 6625
DISTRIBUTION STATEMENT A. Approved for public release; distribution is unlimited.