
MIL-PRF-10304/26E
26 April 1999
SUPERSEDING
MIL-M-10304/26D
17 December 1975
PERFORMANCE SPECIFICATION SHEET
METERS, ELECTRICAL INDICATING, PANEL TYPE, RUGGEDIZED:
RECTIFIER-TYPE VOLTMETER, AC
(FLUSH MOUNTING, ROUND FLANGE, 3½ INCH), STYLES 34 AND 36
This specification is approved for use by all Departments
and Agencies of the Department of Defense.
The requirements for acquiring the meters described herein
shall consist of this specification and MIL-PRF-10304.
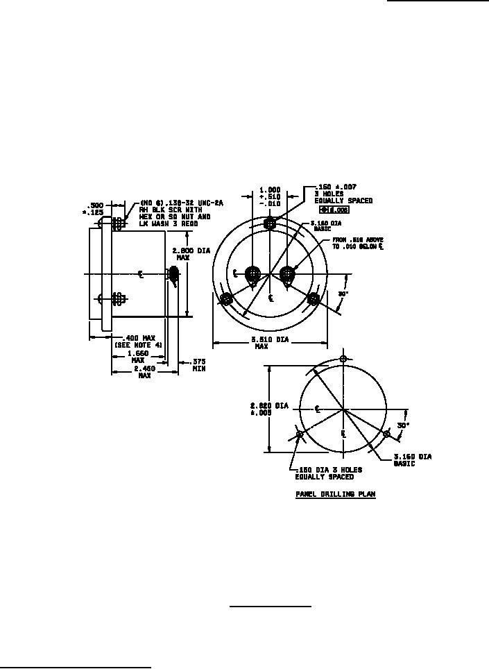
Inches
mm
Inches
mm
Inches
mm
.005
.13
.375
9.53
2.450
62.23
.007
.18
.400
10.16
2.800
71.12
.010
.25
.500
12.70
2.820
71.63
.125
3.18
.510
12.95
3.160
80.26
.138
3.51
1.000
25.40
3.510
89.15
.150
3.81
1.600
40.64
NOTES:
1. Dimensions are in inches.
2. Metric equivalents are given for general information only.
3. Tolerance is ± ½° on angles.
4. Maximum projection from front of panel including mounting gaskets (if used).
FIGURE 1. Meter, panel type.
AMSC N/A
Page 1 of 3
FSC 6625
DISTRIBUTION STATEMENT A. Approved for public release; distribution is unlimited.