
MIL-PRF-10304/32A
26 April 1999
SUPERSEDING
MIL-M-10304/32
24 May 1974
PERFORMANCE SPECIFICATION SHEET
METERS, ELECTRICAL INDICATING, PANEL TYPE, RUGGEDIZED:
VOLTMETER, DC (FLUSH MOUNTING, ROUND FLANGE, 1 INCH),
STYLES 05, 06, AND 07
This specification is approved for use by all Departments
and Agencies of the Department of Defense.
The requirements for acquiring the meters described herein
shall consist of this specification and MIL-PRF-10304.
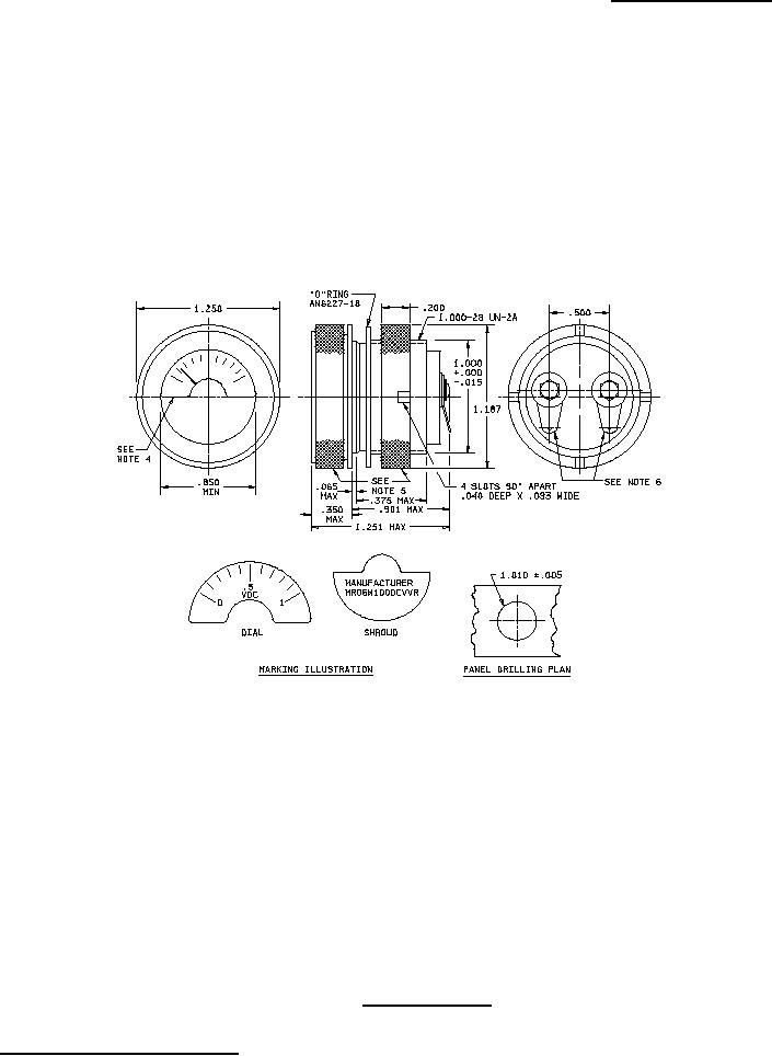
Inches
mm
Inches
mm
Inches
mm
.005
.13
.350
8.89
1.010
25.65
.015
.38
.375
9.53
1.187
30.15
.040
1.02
.500
12.70
1.250
31.75
.065
1.65
.850
21.59
1.251
31.78
.093
2.36
.901
22.89
.200
5.08
1.000
25.40
NOTES:
1. Dimensions are in inches.
2. Metric equivalents are given for general information only.
3. Unless otherwise specified, tolerance is ± .015 (.38 mm).
4. Shroud design is optional.
5. Knurled edge required for mounting; optional for front flange.
6. The solder lug terminals shall accommodate wire of a diameter of .065 (1.65 mm) and may
accommodate up to a maximum diameter of .105 (2.67 mm).
FIGURE 1. Meter, panel type.
AMSC N/A
Page 1 of 3
FSC 6625
DISTRIBUTION STATEMENT A. Approved for public release; distribution is unlimited.