
MIL-PRF-10304/37A
26 APRIL 1999
SUPERSEDING
MIL-M-10304/37
8 February 1978
PERFORMANCE SPECIFICATION SHEET
METERS, ELECTRICAL INDICATING, PANEL TYPE, RUGGEDIZED:
VOLTMETER AND AMMETER, DC LONG SCALE
(FLUSH MOUNTING, ROUND FLANGE, 2½ INCH), STYLE 24
This specification is approved for use by all Departments
and Agencies of the Department of Defense.
The requirements for acquiring the meters described herein
shall consist of this specification and MIL-PRF-10304.
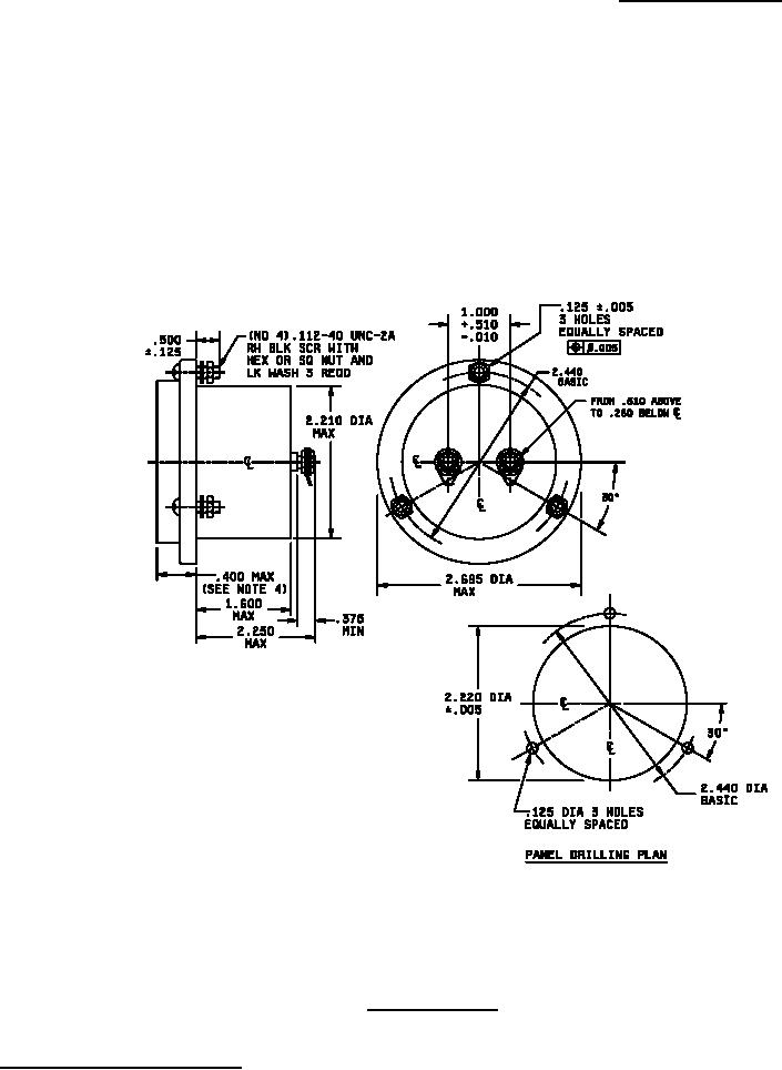
Inches
mm
Inches
mm
Inches
mm
.005
.13
.400
10.16
2.210
56.13
.010
.25
.500
12.70
2.220
56.39
.112
2.84
.510
12.95
2.440
61.98
.125
3.18
1.000
25.40
2.450
62.23
.260
6.60
1.660
42.16
2.695
68.45
.375
9.52
NOTES:
1. Dimensions are in inches.
2. Metric equivalents are given for general information only.
3. Tolerance is ± ½° on angles.
4. Maximum projection from front panel including mounting gaskets (if used).
FIGURE 1. Meter, panel type.
AMSC N/A
Page 1 of 3
FSC 6625
DISTRIBUTION STATEMENT A. Approved for public release; distribution is unlimited.