
MIL-PRF-10304/5G
26 April 1999
SUPERSEDING
MIL-M-10304/5F
17 December 1975
PERFORMANCE SPECIFICATION SHEET
METERS, ELECTRICAL INDICATING, PANEL TYPE, RUGGEDIZED:
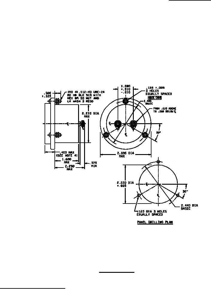
AMMETER, DC (FLUSH MOUNTING, ROUND FLANGE, 2½ INCH), STYLE 26
This specification is approved for use by all
Departments and Agencies of the Department of
Defense.
The complete requirements for procuring the meters described herein shall
consist of this document and the latest issue of Specification MIL-PRF-10304.
Inches
mm
Inches
mm
Inches
mm
.005
.13
.400
10.16
2.210
56.13
.010
.25
.500
12.70
2.220
56.39
.112
2.84
.510
12.95
2.250
57.15
.125
3.18
1.000
25.40
2.440
61.98
.260
6.60
1.600
40.64
2.695
68.45
.375
9.53
NOTES:
1. Dimensions are in inches.
2. Metric equivalents are given for general information only.
3. Tolerance is ± ½° on angles.
4. Maximum projection from front panel including mounting gaskets (if used).
FIGURE 1. Meter, panel type.
AMSC N/A
Page 1 of 3
FSC 6625
DISTRIBUTION STATEMENT A. Approved for public release; distribution is unlimited.