
INCH-POUND
MIL-PRF-10304/8C
18 January 2008
SUPERSEDING
MIL-M-10304/8B
17 December 1975
PERFORMANCE SPECIFICATION SHEET
METERS, ELECTRICAL INDICATING, AMMETERS, RF, PANEL TYPE, RUGGEDIZED:
(FLUSH MOUNTING, ROUND FLANGE, 2.5 INCH) STYLES 26 AND 28
Inactive for new design after November 4, 1997
This specification is approved for use by all
Departments and Agencies of the Department of Defense.
The requirements for acquiring the product described herein shall consist of this specification sheet and
MIL-PRF-10304.
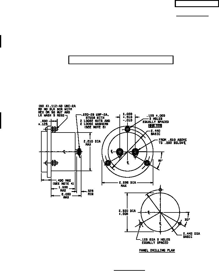
FIGURE 1. Meter, panel type.
AMSC N/A
FSC 6625
For Parts Inquires submit RFQ to Parts Hangar, Inc.
© Copyright 2015 Integrated Publishing, Inc.
A Service Disabled Veteran Owned Small Business